ÈËÉú¾ÍÊDz«

jane@akelc.com | ³É¶¼»á³É»ªÇøÑò×Óɽ·68ºÅ¶«Á¢¹ú¼Ê¹ã³¡4-1-1733ºÅ
028-83508619  028-83261996
ÇëÊäÈëËÑË÷Òªº¦×Ö£º

²úÆ·ÖÐÐÄ

²úÆ·ÏêÇé
AQMD2408BLS-MÖ±Á÷ÎÞË¢µç»úÇý¶¯Æ÷
AQMD2408BLS-MÖ±Á÷ÎÞË¢µç»úÇý¶¯Æ÷

ËùÊô·ÖÀֱࣺÁ÷ÎÞË¢µç»úÇý¶¯Æ÷

ËùÊôϵÁУºÍ¨ÀýϵÁÐ

¸üÐÂÈÕÆÚ£º2019-10-11

1653705290273251.jpg1653703707581315.jpg

²úÆ·ÐÅÏ¢

Æ·ÅÆ£º°¬Ë¼¿Ø

ÐͺţºAQMD2408BLS-M

µçѹ¹æÄ££º9-24V

¶î¶¨µçÁ÷£º8A

×î´óµçÁ÷£º16A(±¶Á÷)/10A(·Ç±¶Á÷)

¿ØÖÆÐźţºµçλÆ÷¡¢Ä£ÄâÁ¿¡¢PWM¡¢Âö³å¡¢ÆµÂÊ¡¢¿ª¹Ø¡¢RS485

µ÷ËÙ·½·¨£ºÕ¼¿Õ±È¡¢±Õ»·µ÷ËÙ¡¢Î»ÖÿØÖÆ¡¢Á¦¾Ø¿ØÖÆ

ÊÊÓõç»ú£ºÖ±Á÷ÓиÐÎÞË¢µç»ú

×î´óÆ¥Åäµç»ú£º12V-45W £¬ 24V-130W

1653705290102414.jpg

¡¡¡¡AQMD_BLSϵÁеç»úÇý¶¯Æ÷ʹÓÃÏȽøµÄµç»úµçÁ÷׼ȷ¼ì²âÊÖÒÕ¡¢ÓиÐÎÞË¢µç»ú×Ô²âËÙ¡¢ÓиÐÎÞË¢µç»úת¶¯Î»Öüì²â¡¢ÔÙÉúµçÁ÷ºãµçÁ÷ÖÆ¶¯Óë¼ÓËÙÂÊ¿ØÖÆÊÖÒÕºÍPIDµ÷ÀíÊÖÒÕ¿ÉÍêÉÆµØ¿ØÖƵç»úƽÎÈÕý·´×ª¡¢»»Ïò¼°Öƶ¯ £¬Êä³öµçÁ÷ʵʱµ÷¿Ø±ÜÃâ¹ýÁ÷ £¬¾«×¼¿ØÖƵç»úתËÙºÍת¶¯Î»Öà £¬µç»úÏìӦʱ¼ä¶ÌÇÒ·´³åÁ¦Ð¡¡£

1653703707856598.jpg

¹¦Ð§Ìصã

¡ô µçѹ¹æÄ£9~24V £¬¶î¶¨µçÁ÷8A £¬×î´óµçÁ÷16A £»
¡ô µçλÆ÷¡¢0~3.3VÄ£ÄâÐźš¢0/3.3/5/24VÂß¼­µçƽ¡¢¿ª¹ØÁ¿¡¢PWM¡¢ÆµÂÊ¡¢Âö³å¡¢RS485¶àÖÖÊäÈëÐźÅ £»
¡ô Õ¼¿Õ±Èµ÷ËÙ¡¢×ª¾Ø¿ØÖÆ(ÎÈÁ÷)¡¢ËÙÂʱջ·¿ØÖÆ(ÎÈËÙ)¡¢Î»Öñջ·¿ØÖÆ(½Ç¶È/¾àÀë¿ØÖÆ)¶àÖÖµ÷ËÙ·½·¨ £»
¡ô Ö§³Ö¼Ó¼õËÙ»º³åʱ¼äÓë¼Ó¼õËÙ¼ÓËÙÂÊ¿ØÖÆ £¬¿ÉÔÚÖ¸¶¨ÐгÌÄÚ×Ô¶¯¼Ó¼õËÙ²¢×¼È·¶¨Î» £»
¡ô µç»úµçÁ÷PIDµ÷Àí £¬×î´óÆô¶¯/¸ºÔصçÁ÷¡¢Öƶ¯(ɲ³µ)µçÁ÷¿É»®·ÖÉèÖà £»µç»ú¹ýÔØ/¶ÂתÏÞÁ÷ͣת £»
¡ô Ö§³ÖÇý¶¯Æ÷ÄÚ²¿Î¶ȼì²â £¬¿ÉÉèÖùýÈȱ £»¤Î¶È £»
¡ô Ö§³Ö±¶Á÷Êä³ö £¬Æô¶¯¡¢´ó¸ºÔØÊ±¿É¶¦Á¦´ó¾Ù¾ØÊä³ö £»
¡ô Ö§³ÖÇý¶¯Æ÷µçÔ´µçѹ¼à²â £¬¿ÉÉèÖùýѹ/Ƿѹ¹Ø¶Ï¼ì²âÖµ £»
¡ô Ö§³Öµç»úתËÙÕÉÁ¿ £¬µç»ú¶Âת¼ì²â £»Ö§³ÖÍâ½ÓÏÞλ¿ª¹ØÏÞλºÍ¶ÂתÏÞλ £»
¡ô Ö§³Öµç»úÏàÐòѧϰ £»Ö§³Ö»ô¶û¹ýʧ± £»¤¡¢¹ÊÕϱ¨¾¯ £»
¡ô 485 ¹²Ä£µçѹ± £»¤ £¬Ö§³Ö¶àÕ¾µãͨѶ £¬Àû±ã¶àÖÖ¿ØÖÆÆ÷(È絥Ƭ»ú¡¢PC»ú»òPLC)¿ØÖÆ £¬Ö§³ÖͨѶÖÐֹͣת± £»¤ £»
¡ô ¼«Ð¡µÄPWMËÀÇø £¬½ö0.5us £¬PWMÓÐÓùæÄ£0.1%~100% £»
¡ô 18kHzµÄPWMƵÂÊ £¬µç»úµ÷ËÙÎÞPWMÏùÌäÉù £»
¡ô ʹÓÃARM Cortex-M3/M4´¦Öóͷ£Æ÷¡£
1653705289349973.jpg

²úÆ·ÌØÉ«

 ¡ñ Ò»¼üµç»úÏàÐòÊÊÅä

¡¡¡¡µç»úµÄÈýµçÔ´Ïß»òÈý»ô¶ûÐźÅÏß £¬¿É²»°´Ë³ÐòÓëÇý¶¯Æ÷ÅþÁ¬ £¬Ö»ÐèÒ»¼ü²Ù×÷ £¬¶Ôµç»ú»ô¶û˳Ðò¾ÙÐÐѧϰ,ͨ¹ý¶Ôµç»ú6´Î»»Ïò¿ØÖƺóѧϰ¼´Íê³É £¬µç»ú·½¿ÉÕý³£Çý¶¯¡£
1653705290327526.jpg

¡ñ ¼æÈݶàÖÖ¿ØÖÆÐźźͶàÖÖ¿ØÖÆ·½·¨

¡¡¡¡Ö§³ÖµçλÆ÷¡¢Ä£ÄâÁ¿¡¢PWM/ƵÂÊ/Âö³å¡¢485¶àÖÖ¿ØÖÆÐźÅ £¬Ö§³Öµç»ú¿ª»·µ÷ËÙ¡¢±Õ»·µ÷ËÙ¡¢Î»ÖÿØÖÆ¡¢Á¦¾Ø¿ØÖƶàÖÖÊÂÇéģʽ¡£
1653705290277394.jpg

¡ñ ¿É¶¦Á¦´ó¾Ù¾ØÆô¶¯ Çå¾²³¬ÔØ

¡¡¡¡Ö§³Ö±¶Á÷Êä³ö £¬´Ó¶øÊµÏÖÖÁ¶à2±¶¶î¶¨Á¦¾ØÆô¶¯ºÍ2±¶¶î¶¨Á¦¾Ø³¬ÔØÔËÐÐ £»¿ÉÉ趨±¶Á÷ʱ¼ä £¬±ÜÃâµç»ú³¤Ê±¼ä³¬ÔØÔËÐжøË𻵠£»Í¬Ê± £¬Çý¶¯Æ÷¶ÔÄÚ²¿Î¶Èʵʱ¼à¿Ø £¬µ±Î¶ȵִïÉ趨ֵʱ £¬½ûÓñ¶Á÷»ò¹Ø¶ÏÊä³ö £¬´Ó¶ø± £»¤Çý¶¯Æ÷¡£
1653703707527990.jpg

¡ñ ¼«µÍËÙÎÈËÙ¸ÕÐÔÇ¿

¡¡¡¡Çý¶¯Æ÷ʱ¼ä-λÖñջ·µ÷ËÙËã·¨¿Éʹµç»úÔÚµÍËÙÔËÐÐʱ¸ÕÐÔÇ¿ £¬µÍÖÁ60RPMתËÙÒ²¿É¶¦Á¦´ó¾Ù¾Ø±Õ»·µ÷ËÙ¿ØÖÆ¡£
1653705289479069.jpg

¡ñ Í¨Ë×ÎÞË¢Ò²¿ÉλÖÿØÖÆ

¡¡¡¡Çý¶¯Æ÷¿Éƾ֤¸ø¶¨µÄ¼ÓËÙÂʺÍ×î´óËÙÂÊ¿ØÖÆÍ¨Ë×ÎÞË¢µç»ú×öλÖÿØÖÆ¡£
1653703707803848.jpg

¡ñ ×Ô½ç˵Àú³Ì¿ØÖÆ

¡¡¡¡¹ØÓÚͨÀýµÄÔ˶¯Àú³Ì¿ØÖÆ £¬¿Éͨ¹ýÒ»¶Î×Ô½ç˵Àú³Ì¾ç±¾ÊµÏÖÔ˶¯Àú³ÌÂß¼­¿ØÖÆ £¬´Ó¶øÊ¡µôPLCÕâÑùµÄÂß¼­¿ØÖÆÆ÷¡£
1653703707864961.jpg

¡ñ ¶àÖØ± £»¤Çå¾²¿É¿¿

¡¡¡¡µçѹ¡¢µçÁ÷¡¢Î¶Èʵʱ¼à¿Ø £¬¹ýÈÈ¡¢¹ýÁ÷¡¢¶Âת¡¢Òì³£´óµçÁ÷¡¢485¹²Ä£µçѹ± £»¤¶àÖØ± £»¤ £¬Çý¶¯Æ÷ÊÂÇé¸üÎȹ̿ɿ¿¡£

1653703706813527.jpg 

²úÆ·Ó¦ÓÃ

1653703707821755.jpg

λÖÿØÖƼƻ®±ÈÕÕ

1653703707938579.jpg

  ×¢£ºÅäͨÀý¼õËÙ»úºó±¾Çý¶¯Æ÷¿ÉʵÏÖ1mm»ò1¶È¾«¶ÈµÄ¶¨Î»¿ØÖÆ¡£

ÊÖÒÕ²ÎÊý

1653705290396248.jpg

  ×¢£º¶î¶¨µçÁ÷Ϊ³£ÎÂͨÀý͸·çÇéÐγ¤Ê±¼äÏÞÁ÷¶Âתºó¹¦ÂʹÜÖÜΧζȲ»Áè¼Ý85¡æµÄµçÁ÷¡£

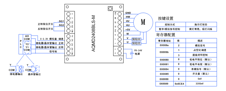
°´¼üÓ÷¨

1653703707612881.jpg

µä·¶Ó÷¨

  1. µ¥µçλÆ÷Õ¼¿Õ±È/±Õ»·µ÷Ëٵ㶯¿ØÖƵĽӷ¨

2408-µ¥µçλÆ÷µ÷ËÙ·½·¨µÄ½ÓÏßʾÒâͼ.jpg
¡¡¡¡µã¶¯¿ØÖÆ·½·¨Ê¹ÓõçλÆ÷µ÷ËÙµÄÊÂÇéÀú³ÌΪ£º°´ÏÂB1 £¬µç»úÕýת £¬Ê¹ÓõçλÆ÷µ÷ËÙ £»B1µ¯Æð £¬µç»ú×èÖ¹ £»µ±ÕýתÏÞλºóµç»ú×èÖ¹ £¬ÔÙ°´B1ÎÞЧ £»°´ÏÂB2 £¬µç»ú·´×ª £¬Ê¹ÓõçλÆ÷µ÷ËÙ £»B2µ¯Æð £¬µç»ú×èÖ¹ £»µ±·´×ªÏÞλʱµç»ú×èÖ¹ £¬ÔÙ°´B2ÎÞЧ¡£

  2. PLCÄ£ÄâÐźÅÕ¼¿Õ±È/±Õ»·µ÷ËٵĽӷ¨

2408-PLCÄ£ÄâÐźŵ÷ËÙ½ÓÏßʾÒâͼ.jpg
¡¡¡¡´Ë½Ó·¨µÄÊÂÇéÀú³ÌΪ£ºIN1ÓëPLCµÄAO¶Ë¿ÚÅþÁ¬ £¬ÓÃÓÚµ÷ËÙ £»IN2ÓëPLCµÄY2 £¬¿ØÖƵç»úÆ«Ïò £»IN3ÓëPLCµÄY1ÅþÁ¬ £¬¿ØÖƵç»ú½ôÆÈ×èÖ¹¡£

  3. µ¥Æ¬»úPWMÐźÅÕ¼¿Õ±È/±Õ»·µ÷ËٵĽӷ¨

2408-µ¥Æ¬»úPWMÐźÅÕ¼¿Õ±È¼°±Õ»·µ÷ËÙ·½·¨µÄ½Ó·¨.jpg
¡¡¡¡´Ë½Ó·¨µÄÊÂÇéÀú³ÌΪ£ºµ¥Æ¬»úµÄµçÔ´µØ½ÓÇý¶¯Ä£¿éµÄCOM¿Ú £»IN1½Å½Óµ¥Æ¬»úµÄPWMµÄÊä³ö £¬ÓÃÓÚµ÷ËÙ £»IN2ºÍIN3Ó뵥Ƭ»úµÄÁ½¸öIOÏàÁ¬ £¬¿ØÖƵç»úÕý·´×ª¼°½ôÆÈÖÆ¶¯¡£

  4. µ¥Æ¬»úÂö³åÐźÅλÖÿØÖƵĽӷ¨

2408-µ¥Æ¬»úÂö³åÐźÅλÖÿØÖÆ·½·¨.jpg
¡¡¡¡´Ë½Ó·¨µÄÊÂÇéÀú³ÌΪ£ºµ¥Æ¬»úµÄµçÔ´µØ½ÓÇý¶¯Ä£¿éµÄCOM¿Ú £»IN1Ó뵥Ƭ»úµÄIO1ÏàÁ¬ £¬À´È·¶¨Âö³åµÄ¸öÊý £¬ÓÃÓÚµç»úλÖÿØÖÆ £»VOÓ뵥Ƭ»úµÄIO0ÏàÁ¬ £¬ÓÃÓÚÍê³ÉÐźſØÖÆ £»IN2ºÍIN3Ó뵥Ƭ»úµÄÁ½¸öIOÏàÁ¬ £¬¿ØÖƵç»úÕý·´×ª¼°½ôÆÈÖÆ¶¯¡£

  5. 485¶àÕ¾µã¿ØÖƵĽӷ¨

1653705289618450.jpg
¡¡¡¡Ã¿Ì¨Çý¶¯Æ÷µÄ485ͨѶÏß°´A-A¡¢B-BµÄ·½·¨²¢Áªºó¸úһ̨485Ö÷Õ¾ÏàÁ¬ £¬485Ö÷վͨ¹ýÇý¶¯Æ÷ÉèÖõĴÓÕ¾µØµãÀ´¶Ôÿ̨Çý¶¯Æ÷×ÔÁ¦²Ù×÷¡£Ã¿Ò»¸öÇý¶¯Æ÷ÉèÖõĵصãӦΨһ £¬²»¿ÉÓëÆäËüÇý¶¯ÖØÊÓ¸´¡£

ʾÀý³ÌÐò

  ÌṩPC»úʾÀý³ÌÐò £¬¿ÉÓÃÀ´ÉèÖòÎÊý¡¢µ÷ÊÔµç»ú»ò¶þ´Î¿ª·¢¡£

1653703707603696.jpg

 Çý¶¯Æ÷³ß´ç

1653705289302395.jpg

 ¸½£ºÑ¡ÐͲο¼

AQMD_BLSϵÁÐÖ±Á÷ÓиÐÎÞË¢µç»úÇý¶¯Æ÷Ñ¡Ðͱí

ÈËÉú¾ÍÊDz«¡¤(ÖйúÇø)¹Ù·½ÍøÕ¾
¡¾ÍøÕ¾µØÍ¼¡¿¡¾sitemap¡¿